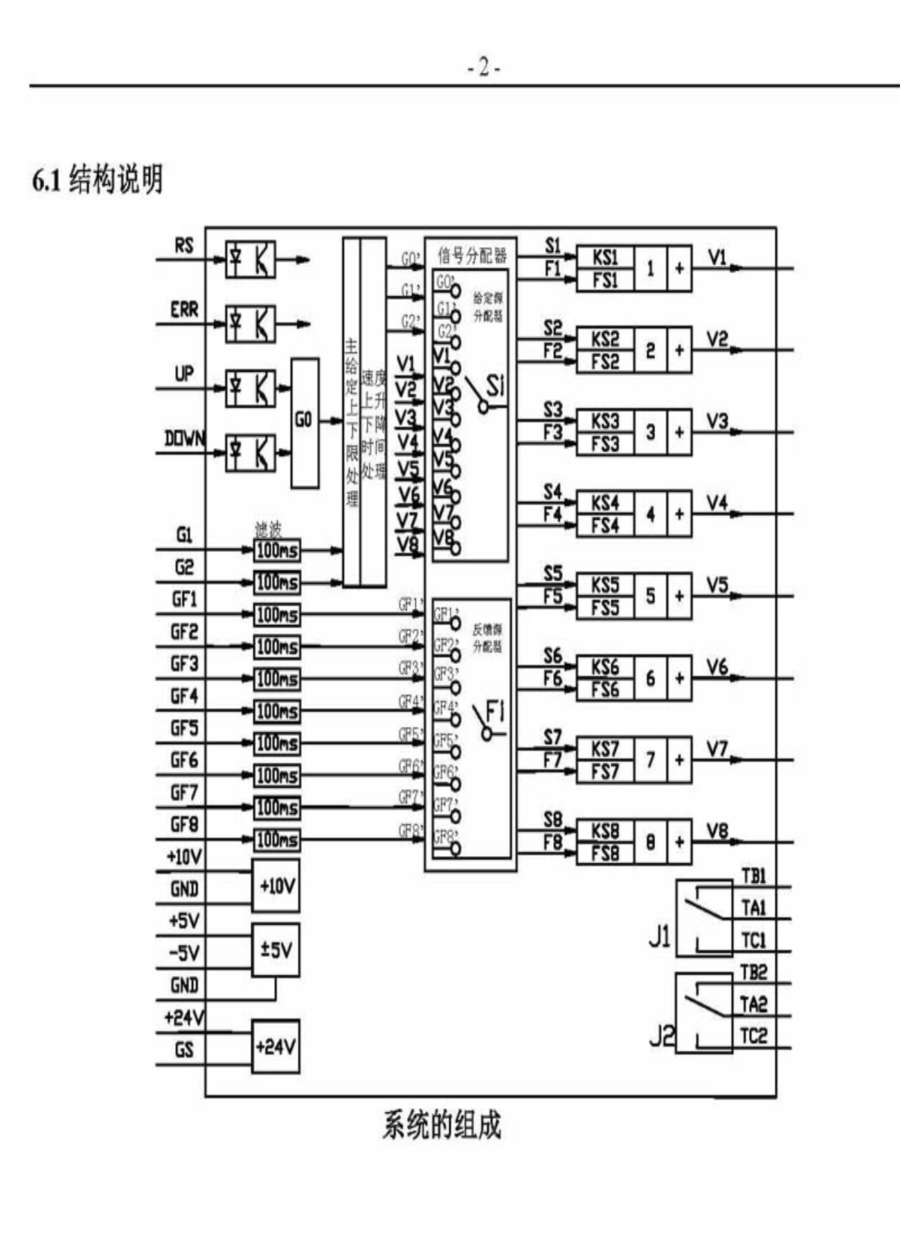
同步控制器SAD280介绍
IPC系列 (原SAD系列) 为上海黎升工业控制设备有限公司成熟产品。本产品经过多年的工业现场考验和设计、工艺的不断完善,功能实用,抗干扰能力强,稳定可靠。同步控制器SAD280的主要特点如下:
☆黎升产品自行设计,自行生产,遵循严格生产工艺,产品质量远非拼装产品所能及。所有产品实行严格老化,专业人员出厂检验。
☆产品不断跟进新技术潮流,主板已数次升级。我们的主板已与仿冒者完全不同,采用工业级芯片,绝不会使用拆片,淘汰芯片。
☆最完善的产品系列,生产各种型号的同步器,并可为客户生产特种同步器。
同步控制器SAD280说明书下载地址下载地址