IPC-303
  • ipc-303
  • ipc-303
  • ipc-303

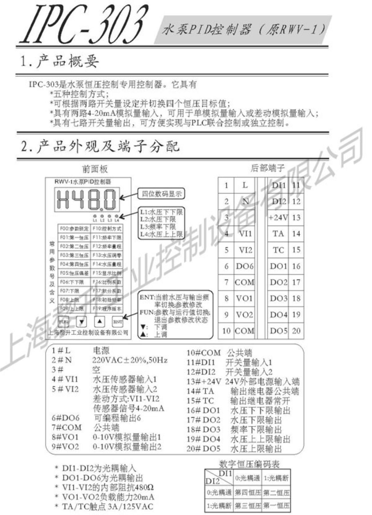
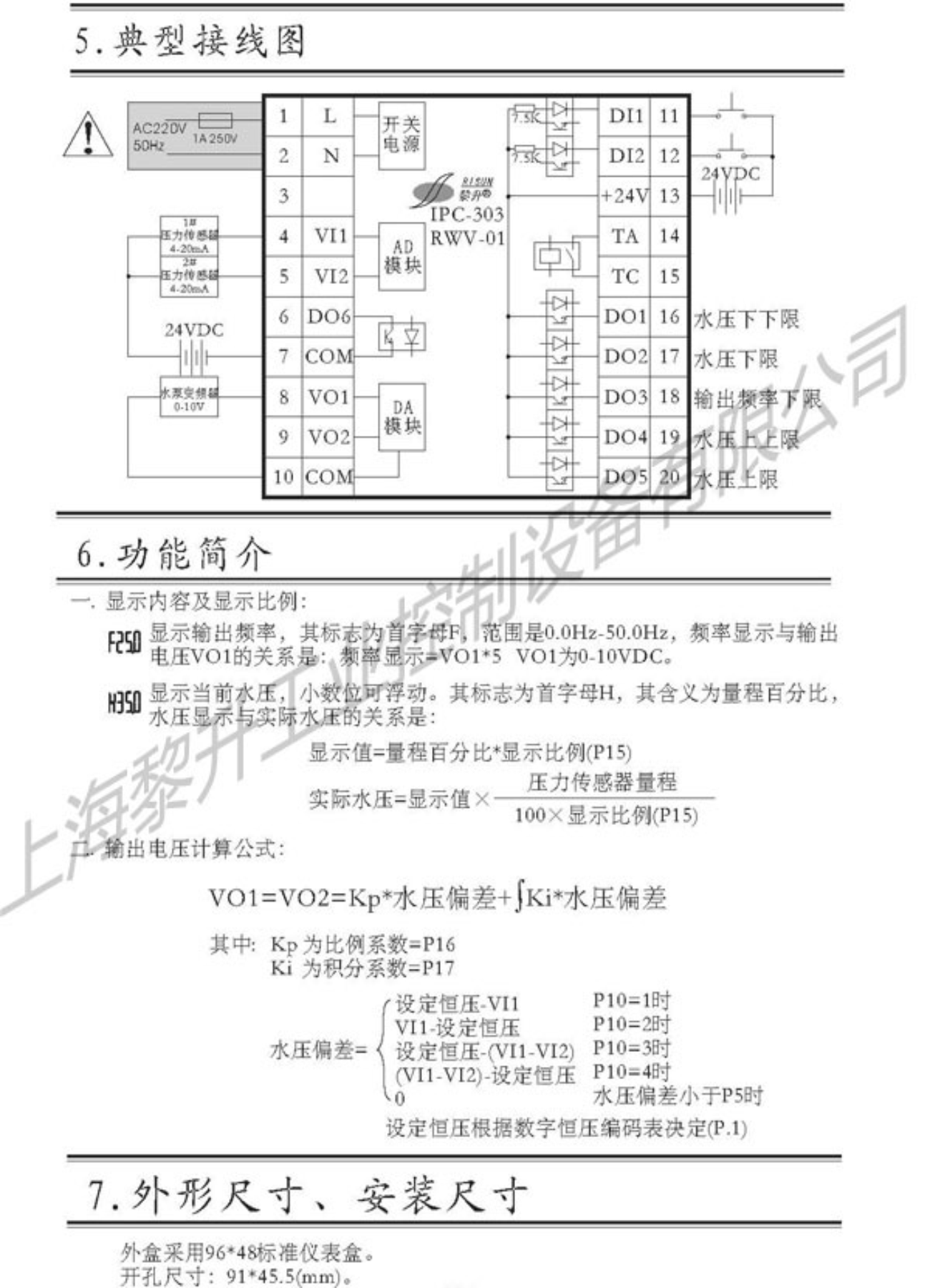
恒压水泵控制器IPC-303介绍 IPC-303是水泵恒压控制专用控制器。具有七种控制方式;可设定四个恒水压控制值,可随时切换控制值;具有两路0-20mA(4-20mA)模拟量输入,一路0-10V模拟量输入,可用于单模拟量输入及差动模拟量输入控制;具有五路开关量输出,输出四种水压(压差)状态一种频率下限状态,与PLC配合可实现变频泵的切换。
本产品是IPC301的升级产品,与IPC-301兼容,性能更稳定,操作更方便。
IPC-303恒压水泵控制器为上海黎升工业控制设备有限公司直销,全国不设置任何代理,慎防假冒。本公司不授权任何公司代工。
水泵PID控制器IPC-303说明书下载地址下载地址